100% SUOMALAINEN PERHEYRITYS

Reilua kaupantekoa vuodesta 1991

ASIANTUNTEVA ASIAKASPALVELU

Online Chat ja 044 716 8000

NOPEAT TOIMITUKSET

Nouto tai toimitus alk. 8,00€

TURVALLISET MAKSUTAVAT

Maksa heti tai joustavasti osissa

Tecma Sanisplit 3 Combi -silppuripumppu
Tecma Sanisplit 3 Combi -silppuripumppu
Tecma Sanisplit 3 Combi -silppuripumppu
Tecma Sanisplit 3 Combi -silppuripumppu
Tecma Sanisplit 3 Combi -silppuripumppu

Tecma Sanisplit 3 Combi -silppuripumppu


499,00 € sis. 25.5 % ALV
Voimakas WC-pumppaamo, joka hienontaa ja poistaa jätteet nopeasti ja hiljaisesti. Patentoitu Tecma toimintavarmuus. Helppo puhdistaa ja poistaa tukokset.

Toimitus 7-14 arkipäivää
Tuotekuvaus

Tecma Sanisplit 3 Combi -silppuripumppu

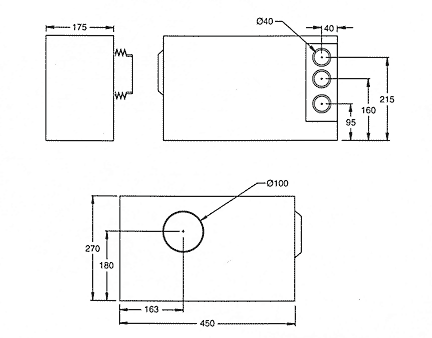
Tecma Sanisplit 3 Combi on voimakas silppuripumppu, joka hienontaa ja poistaa jätteet nopeasti, hiljaisesti, hygieenisesti ja täysin automaattisesti. Pumppu asennetaan normaalin vaakasuuntaan poistavan wc-istuimen taakse. WC:n huuhtelupainiketta painetaan tämän jälkeen kuten ennenkin. Laite pumppaa tarvittaessa jopa 11 m ylöspäin tai 50 m sivusuuntaan. Laitetta voidaan käyttää myös ilman WC:tä, jos halutaan poistaa ainoastaan muut jätevedet. Esimerkiksi pyykinpesukone voidaan kytkeä tähän yhteen ja samaan yksikköön. Poistoveden lämpötila voi olla jopa +95 °C.

Sanisplit 3 Combin avulla saa helposti ja edullisesti esim. kellaritiloihin WC:n, pesualtaan, suihkukaapin, pesukoneen tai vaikka keittiön - ilman kalliita lattioiden piikkaustöitä tai pintojen uusimisia. Laite on kaksiosainen. Toiseen puoliskoon liitetään kaikki eri vesipisteistä tulevat ohuet 32 mm putket, samoin lähtevä putki. Liitokset voidaan tehdä joko pinta- tai uppoasennuksena. Laitteen toinen puolisko on pumppaus- ja hienonnusosa, joka voidaan irrottaa ilman työkaluja.

Ylivoimaiset ominaisuudet:

  • Toimintavarmuus: Kaikki WC-pumppaamot voivat mennä tukkoon, mikäli silppuriin joutuu vahingossa vieras esine kuten lasten lelu, silmälasit tai hiussolki. Tällöin voi tulla iso remontti ja pitkä käyttökatkos ilman wc:tä. Normaalisti WC-istuin joudutaan irrottamaan vesiliitäntöineen ja viemään WC-pumppaamohuoltoon. Tecma 3 Combin kanssa näin ei käy, koska mahdollinen tukos on itse poistettavissa. Laite halkeaa kahtia ilman työkaluja, jolloin tukkeuma voidaan poistaa ja WC on taas käytössä. Tecman ylivoimainen toimintavarmuus onkin syy, miksi se on useimmiten valittu julkisten tilojen WC-pumppaamoksi.
  • Tehokkuus: Voimakas 600 W:n pumppu hienontaa ja siirtää huuhdellun WC:n sisällön jopa 11 m ylöspäin tai 50 m sivusuunnassa n. kolmessa sekunnissa, automaattisesti ja vaimealla äänellä.
  • Huomaamaton ulkomuoto: Tecma on siisti, valkoinen ja huomaamaton, suorakaiteenmuotoinen laatikko WC-istuimen takana. Laitteessa on sileät seinämät eikä siinä ole mitään ulokkeita tai putkistoja näkyvillä. Laite on näin ollen hygieeninen ja helppo pitää puhtaana ulkoapäin. WC-pumppaamon sähköinen kotelointiluokka on IP55. Laitteen voi siis suihkuttaa puhtaaksi vedellä wc:n pesun yhteydessä. Hyvän hygieenisyyden vuoksi Tecma on usein valittu myös mm. lääkäriasemien ja hoitolaitosten wc-pumppaamoksi.
  • Monipuolisuus: Tecma Sanisplit 3 Combilla voi viemäröidä WC:n lisäksi lavuaarin, pesukoneen ja suihkukaapin. Jätevesi voi olla jopa 95ºC kuumaa eikä haittaa, vaikka se sisältää vahvoja pesuaineita.

Ylivoimaisista ominaisuuksista huolimatta TECMA 3 Combin hinta on vain samaa luokkaa, kuin siihen kytkettävän tavallisen WC-istuimen. Laitteen maahantuoja vastaa Tecman euroopanlaajuisen huoltoverkoston toiminnoista Suomessa.


Tecma Sanisplit 3 Combi -silppuripumppu, tekniset tiedot

  • Teho: 600W
  • Mitat: 450x175x370 mm
  • Kotelointiluokka: IP55
  • Max nostokorkeus: 11m
  • Max sivusuuntaan: 90m
  • Max tuotto: 350 litraa/min
  • Jäteveden lämpötila: max +70°C
  • Liitäntäputken halkaisija: 32-40mm
  • Huolto/tukkeuman poisto: Ei tarvita työkaluja
  • Suihkualtaan korkeus lattiasta: 200
  • Jäteveden liitännät WC-istuimen lisäksi: 2 kpl, vasemmalla
  • Äänitaso: 70 dB
Arvostelut
0 arvostelua
Arvosana
Saattaisit pitää näistä