Kirjaudu sisään

Syötä sähköpostiosoitteesi ja salasanasi:

Oletko uusi asiakas? Rekisteröidy nyt

Unohditko salasanasi? Palauta salasana

Ilmanvaihtokone Airsec 70V

Airsec | GTIN: AIRSEC70V

Lämmöntalteenotolla ja portaattomalla nopeudensäädöllä varustettu ilmanvaihtokone erityisesti autotalleihin, kesämökeille ja pieniin liiketiloihin.


889,00 €
Toimitus 7-14 arkipäivää
Alin hinta viimeiset 30 päivää 889,00 €
Tuotekuvaus

Ilmanvaihtokone Airsec 70V

Airsec 70V on lämmöntalteenotolla ja portaattomalla nopeudensäädöllä varustettu ilmanvaihtokone erityisesti pienehköjen tilojen taloudelliseen ja kontrolloituun ilmanvaihtoon. 

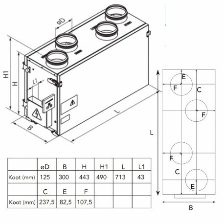
Airsec 70V sopii yhteen 125 mm pyöreän ilmanvaihtokanavan kanssa. Koneen kätisyyttä voi tarvittaessa vaihtaa. Airsec 70V ilmanvaihtokone riittää max. 120 m² rakennuksen ilmanvaihtoon. Takuu 24 kk.

  • Kuori on valmistettu valkoiseksi maalatusta teräksestä, joka on lämpö- ja äänieristetty 20 mm paksulla mineraalivillalla.
  • Laitteessa on tuloilman suodatukseen G4 ja F7 -suodattimet sekä poistoilman suodatukseen G4-suodatin.
  • Ristivirta-LTO-kuutio on valmistettu alumiinilevyistä. Laitteessa on vesikouru kondenssiveden poisjohtamiseksi ja kennossa on jäätymisensuoja. Jäätymisensuoja keskeyttää tuloilmapuhaltimen jäätymisvaaran uhatessa. Lämmin poistoilma lämmittää lämmönvaihdinta, jonka jälkeen tuloilmapuhallin käynnistyy ja yksikkö jatkaa normaalia toimintaansa.
  • Laite voidaan kiinnittää kattoon tai seinään. Se voidaan sijoittaa mihin tahansa tilaan, kunhan kondenssiveden poistosta on huolehdittu. Asennettaessa kannattaa laitteen sivulle jättää riittävästi tilaa (500mm), jotta sivulle aukeava huoltoluukku voidaan avata.
  • Laitteen mukana tulee Airsec 1400RS -tyristorisäädin, jolla puhaltimen nopeutta voidaan säätää portaattomasti.

Ilmanvaihtokone Airsec 70V, tekniset tiedot

  • Vaiheet: 1
  • Jännite: 230 V
  • Taajuus: 50 Hz
  • Teho: 148 W
  • Virta: 0,78 A
  • Tuloilma: 67 l/s, 50 Pa
  • Poistoilma: 67 l/s, 50 Pa
  • Ilmavirta (max. ilman putkistohäviöitä): 238 m³/h
  • Kierroksia minuutissa: 2500 min-1
  • Melutaso 3 metrin etäisyydellä: 28-47 dBA
  • Vaipan materiaali: maalattu teräs
  • Käsiteltävän ilman suurin sallittu lämpötila: -25 ~ +60°C
  • Eristys: 20 mm mineraalivilla
  • Kanavaliitännän koko: 125 mm
  • Paino: 26 kg
  • Poistoilmasuodatin: G4
  • Tuloilmasuodatin: G4 ja F7
  • Ristivrtauslämmönvaihtimen tyyppi: ristivirta
  • Lämmönvaihtimen materiaali: alumiini
  • Putkiliitäntä: vertikaalinen
  • EC-moottori: ei
  • Tyyppi: lämmöntalteenottokennolla varustettu ilmanvaihtokone
  • Lämmön talteenotto: kyllä

Vinkki 1, toimitilojen ilmanvaihto

Suurikapasiteettinen ilmanvaihtojärjestelmä vaatii erilliset tekniset tilat, suuret putkikoot ja on kallis toteuttaa. Lisäksi paikallisten tarpeiden huomioiminen on haasteellista. Kokonaisuus on arvokas. Suunnittele ilmanvaihtojärjestelmä käyttäen useita pieniä ilmanvaihtokoneita. Tällöin saadaan paikallisesti, tarpeen mukaan säädettävä ilmanvaihto. Samalla säästytään pitkien, suurten IV-putkien asennukselta. Putkiosat, venttiilit ja tarvikkeet sekä IV-koneet ovat hyvin edullisia eikä erillisiä teknisiä tiloja tarvita, jolloin järjestelmästä tulee edullinen. 


Vinkki 2, autotallin ilmanvaihto

Autotallit ovat usein kylmiä tai niiden lämpötila on normaalia matalampi. Kun autotallissa työskennellään, nostetaan lämpötilaa työskentelyn ajaksi. Vaikka ilman lämpötila saadaankin sopivaksi, huokuu lattia kylmää. Jos tehdään pölyisiä, savuisia tai kemikaalitöitä, kuten auton hiontaa, maalausta, hitsausta jne, hoidetaan haitta-aineiden poisto normaalisti kanavapuhaltimella. Tällöin puhdas korvausilma tulee ulkoa. Kylmä korvausilma aiheuttaa vetoa, jonka vuoksi mukavuuslämpötila on oltava useita asteita korkeampi kuin vedottomassa tilassa. Tämän vuoksi kanavapuhallin säädetään liian pienelle tarpeeseen nähden. Ratkaisuna on koneellinen ilmanvaihto lämmöntalteenotolla. Asenna portaattomalla nopeudensäädöllä varustettu IV-kone (Airsec 70 H/V) autotalliin. Käytä tarvittaessa poistoilman suodatusta. Koneen hinta on samaa suuruusluokkaa kuin pari kanavapuhallinta nopeudensäädöllä. Laita poistoilmaventtiili likaisimpaan paikkaan ja tuloilmaventtiili puhtaimpaan paikkaan. Tällöin likainen ilma ei sekoitu tai sekoittuu mahdollisimman vähän likaisen ilman kanssa. Pidä kone suljettuna tai pienellä nopeudella, kun tallissa ei työskennellä. Kun tallissa työskennellään, säädä kone isommalle tarpeen ja tehtävän työn mukaan.

Arvostelut

  0 arvostelua
Tuotteen tiedot
Mallinumero: AIRSEC70V
Tuotenumero: AIRSEC70V
Paino: 26 kg

OTA YHTEYTTÄ

👍 Kaipaatko apua järjestelmäsuunnittelussa tai laitevalinnassa?

👍 Tahdotko tietää lisää tuotteesta, toimitusajasta tai -tavasta?

👍 Haluatko tietää, mitä tuote maksaa asennettuna kohteeseen?


HUOM: Mikäli yhteydenottosi koskee tuotteen tai järjestelmän asennusta, muistathan lisätä tiedon asennuspaikkakunnasta!

paytrail